


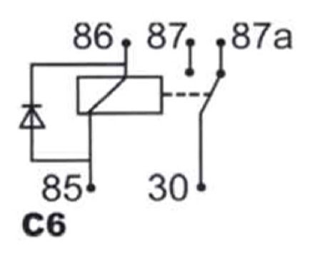
Normally Open Micro Relay c/o 12v 15/25Amp Encps. Diode
Part Number: RMI104
Product Specs.
Current Rating (Amps) | 15/25 |
---|---|
Contact Type | Change Over |
Voltage (V) | 12 |
Terminal Arrangement | T14 |
Circuit Type | C6 |
Features | Encap/Resistor |